城市轨道交通供电系统
版本追踪
2024.10.20:更新初版
目录
1 概述
1.1 概述
城市轨道交通供电系统是为城市轨道交通运营提供所需电能的系统,不仅为城市轨道交通电动列车提供牵引用电,而且还为城市轨道交通运营服务的其他设施提供电能,如照明、通风、空调、给排水、通信、信号、防灾报警、自动扶梯等,应具备安全可靠、技术先进、功能齐全、调度方便和经济合理等特点。
在城市轨道交通的运营中,供电一旦中断,不仅会造成城市轨道交通运输系统的瘫痪,还会危及乘客生命与财产安全。因此, 高度安全可靠而又经济合理的电力供给是城市轨道交通正常运营的重要保证和前提。
城市轨道交通的用电负荷按其功能不同可分为两大用电群体:
- 电动客车运行所需要的牵引负荷
- 车站、 区间、车辆段、控制中心等其他建筑物所需要的动力照明用电,诸如: 通风机、空调、自动扶梯、电梯、水泵、照明、AFC 系统、FAS、BAS、通信系统、信号系统等
在上述用电群体中, 有不同电压等级直流负荷、不同电压等级交流负荷,有固定负荷、有时刻在变化的运动负荷。每种用电设备都有自己的用电要求和技术标准,而且这种要求和标准又相差甚远。城市轨道供电系统就是要满足这些不同用户对电能的不同需求,以使其发挥各自的功能与作用。
1.2 供电制式
城轨供电系统的供电制式是指供电系统向电动车辆或电力机车供电所采用的方式,主要包括 电流制式、电压等级和馈电方式。
1.2.1 电流制式
城市轨道交通的牵引供电系统几乎毫无例外地都采用 较低电压等级的直流电流供电制式。
采用直流制式的原因主要有以下几点:
1)由于直流制供电无电抗压降,因而比交流制供电的电压损失小;
2)电网的供电范围 (距离)、电动车辆的功率都不大,均不需太高的供电电压;
3)城市轨道交通和地铁的供电线路都处在城市建筑群之间,供电电压不宜过高,以确保安全;
4)直流制供电的对象,即早期使用的直流牵引电动机和近期采用的变频调速异步牵引电动机均具有良好的起动和调速特性,可充分满足电动车辆牵引特性的要求。
1.2.2 电压等级
世界各国城市轨道交通的供电电压均在 550 ~ 1500 V 之间,其中间档级很多,这是由各种不同交通形式、不同发展历史时期造成的。现国际电工委员会拟定的电压标准为: 600 V、 750 V、 1500 V 三种,后两种电压为推荐值。我国国标亦规定. 为 750 V 和 1500 V,不推荐 600 V 电压等级。
1.2.3 馈电方式
牵引网的馈电方式有架空接触网和接触轨两种方式。电压等级与馈电方式是牵引网供电制式的关键点,两者密切相关。对于一个具体的城市,电压等级与馈电方式的选择,应该结合起来,统一考虑。我国牵引网供电制式可以选择以下四种方式: 直流 1500 V 架空接触网、直流 1500 V 接触轨、直流 750 V 架空接触网、直流 750 V 接触轨。
列车受电普遍采用两种方式
- 架空接触网供电
- 这个和高铁比较相似,地铁隧道上方架设刚性或弹性装置、悬挂接触网,车辆通过受电弓从接触线中获取电流,多采用 1500 V 电压。此法安全系数高,但技术含量大,铺设难度大,费用高昂。广州、上海等城市的地铁线路用此法。
- 第三轨供电
- 简单地说,就是从地上取电,供电的不是列车轨道,而是与轨道平行的第三轨,通常是用较轻的工型钢,电压 通常为 750 V。车辆通过集电装置与接触轨接触取电,接触轨外设有防护罩保障安全。根据接触面的位置不同,可分为上部授流、下部授流和侧部授流接触轨。此法不太安全,但价格低廉,技术含量低,易于铺设。另外,英国伦敦采用的四轨供电,即在铁道中央在铺设一条零线轨,是三轨的变种。建造较早的地铁基本上都是三轨供电。例如:北京、天津、莫斯科、平壤、基辅、东京(部分)、大阪(部分)等等
注:地铁采用以上哪种供电方式,要考虑城市特点、客流大小、列车编组、美观需求等各方面因素。
1.3 供电要求
(1)供电系统必须可靠
城市轨道交通电动列车和车站设备都是,为乘客提供服务的设备,在运营过程中,一旦供电中断,受影响最大的是行车和客运两个部门。所以城市轨道交通供电系统,必须具有高度的可靠性。为此,各变电站采用两路进线,并互为备用; 电源容量设计时应为发展留有余地; 而且应选用先进、可靠的电气设备,采用模块化的计算机控制系统,实现实时监控,调度自动化的运行模式; 以专人定时巡视检查为辅助手段。
(2)供电系统必须满足不同用户的需求
地铁系统是一个重要的用电负荷。按规定应为一级负荷,即应由两路电源供电,当任何一路电源发生故障中断供电时,另一路应能保证地铁重要负荷的全部用电需要。在地铁供电系统中牵引用电负荷为一级负荷,而动力照明等用电负荷根据它们的实际情沉可分为一级、二级或三级负荷。
1.3.1 负荷分级
按供电对象的重要性 ,将供电系统分成三级负荷
一级负荷: 城市轨道交通电动列车、通信、信号设备、消防设备等用户,必须确保不间断供电; 为此,必须采用双电源双回线路供电,当任何一路电源失电后,应自动、迅速切换至另一路电源。除双路电源供电以外,还应增设应急电源。
二级负荷: 城市轨道交通车站照明、自动扶梯等用户,应确保连续供电,万一停电后会影响客运服务质量,但并不影响列车运行安全; 设计时,宜采用双电源单回线路专线供电,再分片分区供给。
三级负荷: 城市轨道交通的商业用电、广告照明等用户,应确保其正常供电这些用户并直接不影响客运服务质量,其用电可根据电网负荷情况讲行调整。三级负荷可采用单电源单回线路供电,当系统中只有一个电源工作时允许自动切除三级负荷
下列电源可作为应急电源:
- 独立于正常电源的发电机组
- 供电网络中独立于正常电源的专用馈电线路
- 蓄电池
- 干电池
轨道交通供电系统的主变电所、牵引变电所、降压变电所 都属于一级负荷 ^bc 2 b 84
1.3.2 各部分负荷需求
1)牵引用电负荷
由于列车的运行情况 (启动、惰行、停站)、在线路上的位置、列车之间的相对位置随时变化,导致牵引用电负荷的大小和位置并不固定,随时间而变化。直流负荷,列车停运时,负荷为零
2)动力照明系统用电负荷
- 车站:地面和高架车站建筑规模小,用电负荷小,负荷变化大;地下车站用电负荷比地面和高架车站大,大量动力设备集中在车站两端的设备区,车站中间公共区主要为照明负荷,表现头两端重、中间轻;
- 车辆段 (停车场):车辆段占地规模大,并设置有停车列检库、月修库、运用库、架修库、综合维修基地、综合办公楼等,用电负荷表现为负荷量大、负荷分散,夜间高峰;
- 控制中心:控制中心负荷表现为负荷量大、地位重要;
- 区间:地下隧道区间负荷主要为检修电源、照明、风机、排水泵,地面区间负荷只有检修电源、照明,负荷量小。
- 变电站:变电站控制设备为负荷变化不大的低压交直流负荷
2 系统组成
城市轨道交通供电系统一般包括外部电源 、主变电所(或电源开闭所)、牵引供电系统、动力照明供电系统、电力监控系统。其中,牵引供电系统包括牵引变电所和牵引网,动力照明供电系统包括降压变电所和动力照明配电系统。
城市轨道交通供电系统中一般设置三类变电所,即[[主变电所]] (分散式供电方式为电源开闭所)、[[降压变电所]]及[[牵引变电所]]。
主变电所:采用集中供电方式时,接受城市电网35kV 及以上电压等级的电源,经其降压后以中压供给牵引变电所和降压变电所的一种地铁变电所,是专为城市轨道交通系统提供能源的枢纽。一般每条线路设立 2-3 个主变电所
降压变电所:从主变电所(电源开闭所)获得电能并降压变成低压交流电,为车站、隧道动力照明负荷提供电源。一般设立在车站两端
牵引变电所:从主变电所(电源开闭所)获得电能,经过降压和整流变成电动列车牵引所需要的直流电。一般每隔线路数公里设立一个牵引变电所
跟随变电所:一般设置在比较大的车站,换乘站中,是对降压所的补充
电力监控系统:[[PScada系统]]
城市轨道交通供电系统如图
2.1 外部电源
外部电源由城市电网和主变电所构成
城市轨道交通作为城市电网的一个用户,一般都直接从 城市电网取得电能,无需单独建设电厂,而城市电网的电能来源于各种发电厂。城市电网对城市轨道交通进行供电,供电结构通常有 集中供电、分散供电和混合供电。
在可行性研究阶段需要与当地供电部门协商,由供电部门做供电电源的可行性研究报告
2.1.1 集中式供电
在城市轨道交通沿线,根据用电容量和线路长短,建设专用的主变电所。主变电所进线电压一般为110kV,经降压后变成35kV或10kV,供给牵引变电所与降压变电所。主变电所应有两路独立的进线电源。集中式供电,有利于城市轨道交通供电形成独立体系,便于管理和运营。采用集中式供电的有上海、 广州、南京、香港、德黑兰地铁等。
集中式供电的优点
- 可靠性高,便于集中统一调度和集中管理。
- 外部接口少,好管理
- 施工方便, 维护容易,电缆敷设径路比较好走。
- 抑制谐波的效果较好。为减少谐波对电网的影响和危害,一是采用较高脉波 (24 脉波)整流机组,二是选用较高电压 (110 kV) 的电源,因为大容量、高电压电网的承受能力强,同时国标规定的谐波总畸变率和谐波电压含有率比小容量、低电压电网要低得多,而且也有利于今后集中采取高次谐波防治措施。
- 计费方便、简单。采用 110 kV 电压集中供电方式,运行管理单位与电业部门的电度计费在主变电所设总计量就行,不必在各变电所分别计量。
- 一般集中式要优于分散式
2.1.2 分散式供电
在地铁沿线直接由城市电网引入多路电源构成供电系统。一般为10kV电压级。分散式供电要保证每座牵引变电所和降压变电所均获得双路电源,要求城市轨道交通沿线有足够的电源引入点及备用容量。比如沈阳地铁、长春轻轨、大连轻轨、北京城铁、北京八通线、北京地铁5号线等
2.1.3 混合式供电
将前两种供电方式结合起来,一 般以集中式供电为主,个别地段引入城市电网电源作为集中式供电的补充,使供电系统更加完善和可靠。北京地铁一线和环线、武汉轨道交通工程、青岛地铁南北线程等即为混合式供电方案。
2.2 内部供电
通过中压电缆,纵向把上级主变电所和下级牵引变电所,降压变电所连接起来。横向把全线的各个牵引变电所,降压变电所连接起来,便形成了中压网络。中压网络有两大属性:电压等级和构成形式
中压网络中包含动力照明供电系统和牵引供电系统。一条轨交线的降压供电系统有多个降压变电站,每个车站设12座,为车站用户和负荷供电,包括:通信、信号、车站照明、AFC、FAS、BAS、商业用电等等。牵引供电系统为城轨列车供电,每隔35 k m 设一个牵引变电站。
电压等级:
中压网络输入电压为主变电所提供的交流 10kV 或 35kV,根据各负载情况输出电压(如 DC 1500V,AC 380V 等)
构成形式:
对于集中供电而言,中压网络的构成形式大多为树形(二叉树)结构
2.2.1 动力照明供电系统
动力照明供电系统:提供车站和区间各类照明、扶梯、风机、水泵等动力机械设备电源和通信、信号、自动化等设备电源,由降压变电所和动力照明配电线路组成。
a.降压变电所:将三相电源进线电压(10kV)降压为三相380V交流电,提供机电设备如风机、水泵等动力用电,也可称为动力变电所。
b.配电所:配电所(室)起电能分配作用,将降压变电所引入的三相交流380V和单相220V交流电,分别供给动力、照明设备。车站配电所负责车站电能配置,区间配电所负责车站两侧区间动力与照明用电配电。
c.配电线路:配电所(室)与用电设备之间的连接线路。
2.2.2 牵引供电系统
牵引供电系统主要由牵引变电所和牵引网构成。牵引变电所将三相高压交流电变成适合电动车辆应用的低压直流电。馈电线再将牵引变电所的直流电送到接触网上,电动车辆通过其受流器与接触网的直接接触而获得电能。
目前地铁牵引供电系统一般采用直流供电制,标称电压为 1500V,允许波动范围为 1000V-1800V
a牵引变电所:对轨道交通某一供电区段提供牵引电能的变电所;
b.接触网:分架空线和接触轨两种受流方式,对轨道交通列车供电的导线:
e.馈电线:从牵引变电所向接触网输送牵引电能的导线;
d.轨道电路:利用走行钢轨作为牵引电流回路:
e.回流线:供牵引电流从钢轨返回牵引变电所的导线(回流线是单独的导线而不是直接通过钢轨回流?[[牵引回流和轨道电路]])
牵引供电系统两种运行方式
(1)正常运行:双边供电
正线各供电区间,均由相邻牵引变电所双边供电,车辆段内接触网由车辆段牵引变电所供电:停车场内接触网由停车场牵引变电所供电。
(2)任一牵引变电所解列时的运行方式-大双边供电
当任一 牵引变电所解列(不含线路端头牵引变电所),由相邻变电所越区“大双边供电。当正线线路端头的牵引变电所解列,分别由相邻的牵引变电所单边供电。
2.2.2.1 接触网
2.2.2.1.1 牵引网与接触网
牵引网包括接触网、钢轨回路(包含大地)、馈电线和回流线等。由两个部分组成,正极接触网供电,负极走行轨回流。
接触网是通过受电器向电动列车供给电能的导电网(分接触轨和架空接触网两种方式)
接触轨优点:使用寿命长,维修量小,适用于电压较低的制式
接触网优点:安全性较好,适合电压较高的制式
馈电线是连接牵引变电所和接触网的导线
2.2.2.1.2 接触网的电分段
电分段根据设置位置分为纵向电分段和横向电分段
- 纵向电分段指的是沿线路方向进行分段
- 横向电分段指在线路之间的分段,如在车辆段的各股道之间进行分段
2.2.2.1.3 接触网的供电原理
牵引供电所向接触网供电的方式有两种:单边供电和双边供电
双边供电:在中央断开处设置开关设备,可将两个供电分区连通,此处称为分区亭。经分亭区的断路器闭合,相邻牵引变电所之间的两个接触网供电分区均可同时从两个变电所获得电流
2.2.2.1.4 接触网类型
分为架空式和接触轨式(也称第三轨)
架空式:架设在走行轨道上部,由列车受电弓接触获取电能,一般用于高压场景。分为地面架空式和隧道架空式
接触轨式:净空受到限制或电压等级较低时多采用接触轨式。分为三种布置方式,上磨式,下磨式,侧磨式

3 主接线
变电所的电气主接线是指由变压器、断路器、开关设备、母线等及其连接导线所组成的接受和分配电能的电路。电气主接线反映了变电所的基本结构和功能
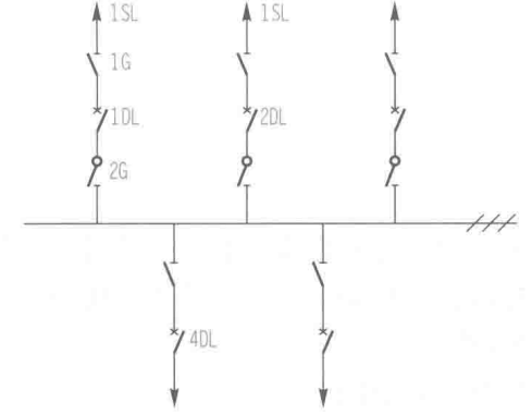
3.1 电气主接线的基本类型
母线又称汇流排,在原理上它是电路中的一个电气节点,它起着汇聚变压器的电能和给个用户的馈电线分配电能的作用。若母线发生故障,将使用户供电全部中断
电气主接线一般按有无母线分类,即分为有母线和无母线两大类
- 有母线
单母线连接如图
双母线连接如图
双母线接线的两条母线之间通过母联断路器连接,每条馈线都能通过两台隔离开关和两条母线相连。正常工作时母联断路器断开(上图中 MD 为母联断路器)
- 无母线
主接线形式主要有桥型接线,单元接线和角形接线
当牵引变电所电源有两条线路和两台变压器时,一般采用桥形接线,两条线路间设置有带桥联断路器的连接桥跨条。根据桥的位置,桥形接线可分为内桥和外桥接线,内桥接线的连接桥跨条设置在牵引变压器外侧和断路器内侧,如图 4-3 (a)所示,外桥接线的连接桥跨条设置在高压断路器外侧,如图 4-3 (b)所示。
3.2 电气主接线图
常用电气设备符号如图
3.3 变电所电气主接线
3.3.1 主变电所
3.3.1.1 高压侧
主流三种接线方式:线路-变压器组接线,内桥型接线,外桥型接线
3.3.1.2 中压侧
中压侧一般采用单母线分段形式,并设备母线分段开关
正常运行时,母线分段开关打开,两段母线独立运行
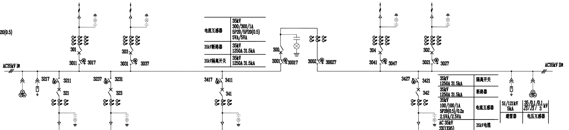
3.3.2 牵引变电所
3.3.2.1 中压侧
- 两套整流机组分别接至两段母线
实际效果不理想,不常用
- 两套整流机组同接一段母线
两套整流机组并联工作,构成等效 24 脉波整流
- 单母线接线
正常工作时,一个进线电源供电,并向相邻的牵引变电所供电
- 分段单母线接线
每段母线各引入一个进线电源。正常运行时,两个独立的进线电源同时工作,两段母线独立运行
- 三段母线接线
正常运行时,一台分段断路器合闸,另一台分段断路器分闸,两路中压进行电源分列独立运行
3.3.2.2 直流侧
主要分为单母线、双母线两种形式,可细分为
A 型单母线系统,进线为直流断路器,设置纵向电动隔离开关
B 型单母线系统,进线为电动隔离开关,设置纵向电动隔离开关
C 型双母线系统,进线为直流断路器,不设置纵向电动隔离开关
D 型双母线系统,进线为直流断路器,设置纵向电动隔离开关
各类型简单对比:
3.3.2.3 牵引变电所的控制、信号电路
3.3.2.3.1 高压断路器的控制、信号电路
3.3.2.3.2 隔离开关的控制、信号电路
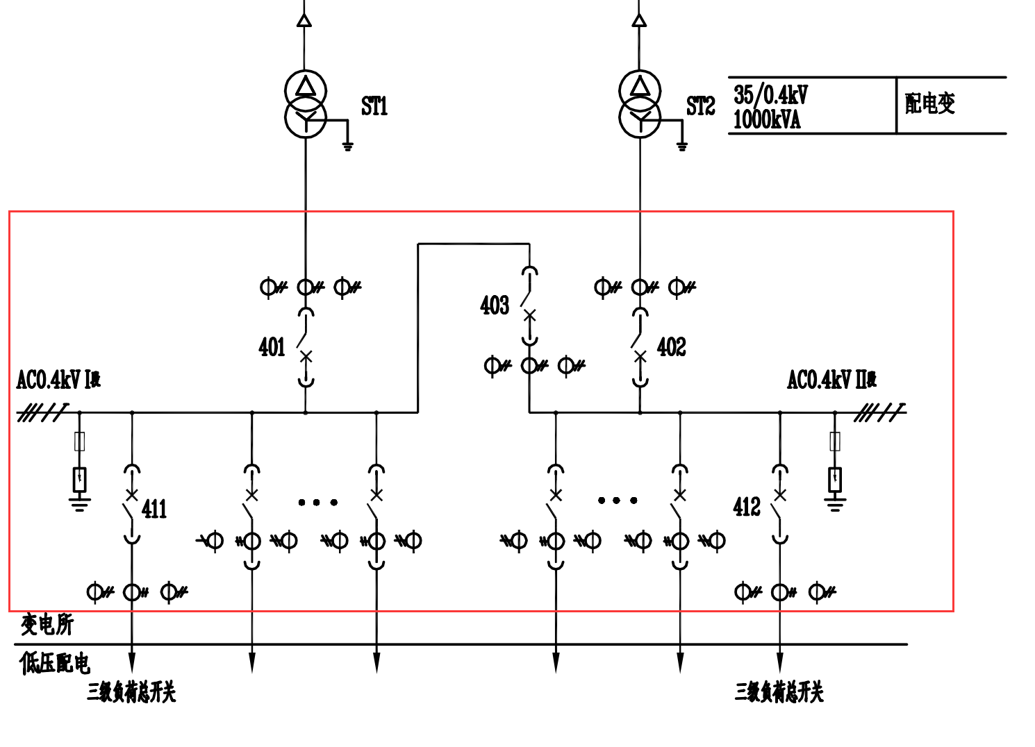
3.3.3 降压变电所
3.3.3.1 中压侧
分段单母线接线(设母线分段开关)
分段单母线接线(不设母线分段开关)
线路-变压器组接线
3.3.3.2 低压侧
4 硬件配置
4.1 基础电气设备
主要设备包括 变压器,断路器,隔离开关,母线,熔断器,电压互感器,电流互感器,避雷器,整流器等
4.1.1 变压器
仅用于交流电的变换和传递
4.1.2 断路器
^9 aa 880
断路器的作用是切断和接通负荷电路,以及切断故障电路,防止事故扩大,保证安全运行。而高压断路器要开断 1500 V,电流为 1500-2000 A 的电弧,这些电弧可拉长至 2 m 仍然继续燃烧不熄灭。故灭弧是高压断路器的核心功能
4.1.3 隔离开关
^138081
隔离开关不能带负荷操作:不能带额定负荷或大负荷操作,不能分、合负荷电流和短路电流,但是有灭弧室的可以带小负荷及空载线路操作。
在电气设备检修时,提供一个电气间隔,并且是一个明显可见的电路断开点,用以保障维护人员的人身安全。
断路器和隔离开关的区别:
- 断路器有灭弧装置,隔离开关没有,因此断路器可带载操作,隔离开关不行
- 断路器没有明显电路断开点,因为断开点需要灭弧,一般置于断路器外壳内,无法观察。隔离开关有明显断开点
- 断路器一般用于保护电路免受短路损毁(常用于高压),隔离开关一般用于保护维护检修人员(常用于低压)
- 隔离开关属于开关设备,断路器属于保护设备
- 断路器在实际工况中执行开关作用,隔离开关执行辅助作用,常用于检修断路器
断路器可以具有隔离开关的功能,但隔离开关却不具有断路器的功能
4.1.4 熔断器
一种利用过负荷或短路电流导致熔体发热原理设计的保护电气设备,熔断速度随电流增大而加快,一次性
4.1.5 电压互感器
一种用于测量,控制和保护回路用的变压器,相当于一台小容量变压器
一般安装于车顶,同时可用于机车能耗测量
4.1.6 电流互感器
一种用于测量,控制和保护回路用的变流器,
一般安装于车顶,同时可用于机车能耗测量
4.1.7 整流器
交流转直流
4.2 主变电所配置
4.3 牵引/降压变电所配置
此处以牵引降压混合变电所为例,主接线如图
4.3.1 配置清单
| 序号 | 设备名称 | 单位 | 数量 |
| 1 | 35kV开关柜1250A | 面 | 10 |
| 2 | 整流变压器2750kVA | 台 | 2 |
| 3 | 整流器柜2500kW | 面 | 2 |
| 4 | DC1500V开关柜4000A | 面 | 6 |
| 5 | 端子柜 | 面 | 1 |
| 6 | 负极柜 | 面 | 1 |
| 7 | 钢轨电位限制装置 | 面 | 1 |
| 8 | 配电变压器1250kVA | 台 | 2 |
| 9 | 400V开关柜 | 面 | 23 |
| 10 | 控制信号屏 | 面 | 1 |
| 11 | 交流屏 | 面 | 1 |
| 12 | 直流屏 | 面 | 2 |
| 13 | 蓄电池屏 | 面 | 1 |
4.3.2 设备说明
4.3.2.1 35kV 开关柜
35kV 开关柜主要功能为从中压网络接引35kV 电源及在变电所内部分配35kV 电源,给整流机组分配电源通过降压整流成 DC1500V 给列车供电,给配电变压器分配电源通过降压成 AC400V 给地面机电设备供电
35kV 开关柜分为进线柜、出线柜、馈线柜和母联柜
4.3.2.2 整流机组
每座牵引降压混合变电所设置 2 套整流机组,为从中压网络接引35kV 电源,经过移相变压器降压成 AC1180V,再经过二极管桥式电路整流成 DC1500V 电源给列车供电
每套整流机组由一台变压器(牵引变压器或整流变压器)与一台整流器组成
4.3.2.2.1 牵引/整流变压器
变压器为独立柜体
电压比:高压/低压 35/1.18kV
远程监控:牵引变压器设置温控器,温控器具有远程通信功能,通信接口采用标准接口(如 RS485)
4.3.2.2.2 整流器
整流器为独立柜体
单台整流器由二个三相6脉冲全波整流桥并联组成,整流器原理如图
远程监控:
整流器配置自动化数据采集装置采用可编程控制器(PLC),用于收集电流电压等模拟量、跳闸信号、报警信号,并在装置上显示。装置与变电所综合自动化系统(PSCADA)的接口采用数字通信方式,实现对设备的遥信功能。
本地采集数据:桥臂熔断器熔断报警;超温报警;超温跳闸;控制电源失电报警;桥臂熔断器熔断跳闸;逆流保护跳闸;外壳开门。所有报警和跳闸信号均应有接点输出信号,每个跳闸信号需3个接点信号输出。
远方信号:熔断报警;超温报警;超温跳闸;控制电源失电报警;熔断跳闸;逆流保护;外壳开门等
4.3.2.3 DC1500V 开关柜
直流1500V开关柜分为进线柜(也称正极柜)、馈线柜、负极柜和端子柜
进线柜:连接整流器正极与 1500 V 正极母线
馈线柜:连接 1500 V 正极母线与接触网上网隔离开关
负极柜:连接回流钢轨与整流器负极
端子柜:PScada 与 1500V 开关柜的通信接口
4.3.2.3.1 1500V 进线柜/馈线柜
- 每台柜内独立设置一台用于测量、保护、控制、信号、显示以及通信的微机综合保护测控装置
4.3.2.3.2 负极柜
负极柜内设置一套用于信息(隔离开关位置、框架保护动作等)采集及与变电所综合自动化系统通信处理设备进行通信的测控保护装置或 PLC 监控单元,具有与当地 PC 机和所内综合自动化系统进行通信的两个独立的标准通信接口
4.3.2.3.3 端子柜
直流进线柜、馈线柜和负极柜与变电所综合自动化系统接口的信号集中在端子柜上,同时在端子柜上实现接触网上网、越区/出入段线隔离开关的控制、信号显示、当地/远方操作及相关电气闭锁
4.3.2.4 钢轨电位限制装置
配置
- 每个车站设置 1 台钢轨电位限制装置
- 每个车辆段、停车场、停车列检库各设置多台钢轨电位限制装置
安装
钢轨电位限制装置接在车站钢轨和接地端子之间
功能
在钢轨电位高于设定值后,将钢轨接地,限制钢轨与地之间的电势,保证旅客和工作人员的人身安全
4.3.2.5 配电变压器
配置
每座牵引降压混合变电所设置 2 台 35kV/0.4kV 配电变压器,接于不同 35kV 母线分列运行
功能
用于将 35kV 母线的电源降压到 400V 输送进 400V 开关柜
4.3.2.6 400V 开关柜
400V开关柜从配电变压器次边接引电源,并将电源在内部进行电源分配, 承担车站及区间动力照明的全部用电负荷
正常状态时,母联断开,一级负荷分别由不同侧 0.4kV 母线供电,两路电源在设备端自动切换;二级负荷由 0.4kV 母线的任何一段母线供电;三级负荷通过三级负荷总开关接于母线上。
当一路 0.4kV 进线电源失电时,延时跳闸,自动/手动切除两段母线上的三级负荷,母联开关合闸,由另一路进线承担全站所有的一、二级负荷;当故障电源恢复供电后,断开母联开关,母线分段运行,返回正常运行模式
400V 开关柜主要包含以下几种柜型
| 序号 | 柜型 | 功能 |
| 1 | 进线柜 | 接受电能通过水平母线传递给馈线柜。 |
| 2 | 母联柜 | 分段母线之间电能的传递。 |
| 3 | 馈线柜 | 分配电能的抽屉或固定安装形式的开关柜 |
| 4 | 过渡柜 | 由于建筑或结构影响而设置用于过渡母线的空柜。 |
| 5 | 有源滤波安装柜 | 提高低压配电系统的功率因数,对谐波进行实时动态抑制。 |
4.3.2.7 交、直流屏
交、直流屏为变电所内供电设备提供交流380V/220V 电源和直流220V 或110V 电源,为变电所自用电系统
交流自用电系统
采用单母线分段接线方式,从降压变电所的两段0.4kV 母线各引入一路三相电源至交流屏,作为交流自用电系统的进线电源,两路电源分列运行,并设置进线电源自动投切装置
直流自用电系统
直流自用电系统设置一套 DC220V 高频开关电源,作为变电所控制、操作、继电保护、信号等电源。由交流电源盘 0.4kV 母线引入两路三相 AC380V 电源,输出 DC220V。正常运行时,充电模块负责全所直流用电,蓄电池在浮充电状态。交流失电后,由变电所内的蓄电池组保证所内负荷
控制信号屏安装在变电所控制室内,为变电所综合自动化系统([[PScada系统]])的主要载体
5 地下杂散电流及其防护
5.1 杂散电流的产生
杂散电流也称为迷流
由于钢轨与隧道或道床等结构钢之间的绝缘电阻不是很大,导致流经牵引轨的牵引电流不能全部经由钢轨流回牵引变电所的负极,有部分牵引电流会泄露到隧道或道床等结构钢上,经过结构钢和大地流回到牵引变电所的负极(交流供电不存在杂散电流问题)
5.2 杂散电流的危害
- 对地下金属造成电腐蚀
- 影响电气设备正常工作(杂散电流流入电气接地设备时会拉高接地点位)
- 地下杂散电流过大会引起牵引变电所的框架保护,影响正常行车
6 谐波和无功功率
#供电系统
#轨道交通









































